Module Dò Đường T5000 được dùng trong robot, ô tô điều khiển,...Sản phẩm sử dụng 3 mắt cảm biến hồng ngoại TCRT 5000 có ứng dụng cảm biến vị trí cho mã hóa trục, phát hiện vật liệu phản chiếu như giấy, thẻ IBM, băng từ, công tắc giới hạn cho chuyển động cơ học trong VCR...

Module Dò Đường T5000 3 Kênh Tracker Sensor

Mặt sau Module Dò Đường T5000

Mắt cảm biến hồng ngoại

Bảng Vẽ Kĩ Thuật Cảm Biến Hồng Ngoại

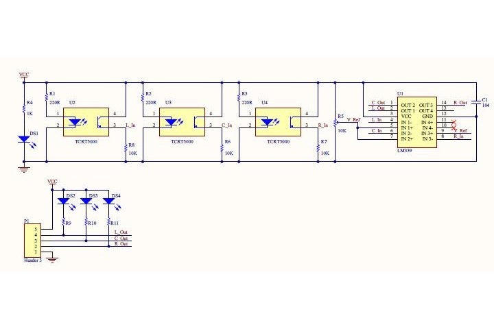
Sơ Đồ Kết Nối Cảm Biến Hồng Ngoại
Chế độ bảo hành
Chế độ bảo hành sản phẩm của Linh Kiện Điện Tử 3M
Bảo đảm chất lượng
Sản phẩm được Test, dán Tem trước khi được đóng gói Kĩ Càng gửi cho Quý Khách
Cước vận chuyển
Cước vận chuyển được tự động đồng bộ đơn vị vận chuyển, Sản phẩm phát ngay trong ngày. Hỗ trợ đơn hàng: 0865.853.416
Hỗ trợ kỹ thuật
Tư vấn kĩ thuật: 0865.853.416 Khi khách hàng gặp khó khăn trong quá trình sử dụng