Mạch đèn giao thông dùng VĐK 8051 cực chuẩn

Chào mừng các bạn đã đến với Góc Học Tập của Linh kiện điện tử 3M. Tiếp tục chia sẻ các sản phẩm đồ án hay thì hôm nay tôi tiếp tục chia sẻ cho các bạn sản phẩm đồ án mới được các bạn sinh viên làm nhiều và ứng dụng rất hay mà chúng ta hay gặp trong cuộc sống. Đó chính là mạch đèn giao thông sử dụng vi điều khiển 8051 có tác dụng điều khiển đèn báo ở các ngã tư giao thông.
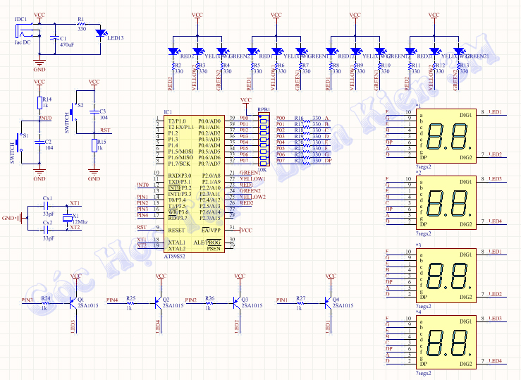
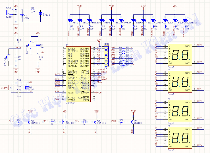
Mạch sử dụng nguồn 5V-1A và VĐK 89S52 là CPU chính để điều khiển toàn bộ mạch hoạt động.
Giới thiệu qua vậy thôi bây giờ tôi sẽ đi vào cách làm chính cho các bạn tham khảo nhé:
I Chuẩn bị linh kiện cần thiết
List Linh Kiện:
- Các dụng cụ cần thiết:
- Đầu tiên để làm mạch in các bạn cần chuẩn bị dụng cụ làm mạch in: Bột sắt hoặc Muối ăn mòn, Giấy in mạch, Phíp đồng, Bút tô mạch và Bàn là rồi đến bộ khoan mạch là cuối cùng nhé. (Đến mua linh kiện trực tiếp ở cửa hàng các bạn sẽ được IN MẠCH MIỄN PHÍ và NẠP CODE FREE nhé)
- Sau khi làm xong mạch in các bạn sẽ bắt đầu hàn mạch nhé và dụng cụ hàn mạch gồm: Máy hàn và thiếc hàn. ( Loại máy hàn giá tốt khuyên dùng cho các bạn sinh viên - Giá hợp túi tiền nhé: No.907 60W )
II Sơ đồ nguyên lí:
Link download FULL Mạch In & CODE: Tại đây
----- Sơ Đồ Nguyên Lí:
Link download FULL nguyên lí chuẩn: Ở đây

-----Hình ảnh mạch in trên Alitium:


----- Sơ đồ 3D lắp ráp linh kiện:



Link download FULL Mạch In & CODE: Tại đây
Mọi thắc mắc các bạn có thể liên hệ tới bộ phận kĩ thuật của chúng tôi qua Hotline: 024.6659.4242
Linh kiện điện tử 3M Chúc các bạn thành công với dự án của mình nhé!
 
					
						 
		 
	 
	
 
			
hien Trả lời
22/04/2021em có thể mua mạch in và linh kiện để tự hàn mạch được không