Giới Thiệu:
Ngày nay, thiết bị hiển thị LCD (Liquid Crystal Display) được sử dụng trong rất nhiều các ứng dụng của VĐK. LCD có rất nhiều ưu điểm so với các dạng hiển thị khác: Nó có khả năng hiển thị kí tự đa dạng, trực quan (chữ, số và kí tự đồ họa), dễ dàng đưa vào mạch ứng dụng theo nhiều giao thức giao tiếp khác nhau, tốn rất ít tài nguyên hệ thống và giá thành rẽ …
![]()
Hình ảnh của 1 loại LCD 16 x 2 thông dụng.
Chức năng các chân :

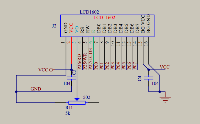
Sơ đồ kết nối chân của LCD trong Kit 8051 Pro:

Hướng dẫn sử dụng:
1.Hướng dẫn in 1 kí tự, chuỗi kí tự ra vị trí bất kì của màn hình:
Sau đây mình sẽ hướng dẫn các bạn in một kí tự, một chuỗi kí tự ra vị trí bất kì của màn hình LCD 16x2 .Đây là một ứng dụng được các bạn thường xuyên sử dụng với màn hình LCD.Dưới đây là code mẫu, các bạn có tham khảo và phát triển thêm.
Sau đây mình sẽ nạp đoạn code trên cho bộ Kit 8051 Pro:
2.Hướng dẫn tạo hiệu ứng dịch chuyển kí tự,chuỗi kí tự
Để dịch chuyển một kí tự hoặc chuỗi kí tự các bạn vẫn dùng các hàm in chuỗi kí tự ra màn hình như ở phần 1.Chỉ cần dùng thêm hàm gửi lệnh cho LCD là có thể dịch chuyển chữ.Ví dụ như muốn dịch chuyển chữ từ phải qua trái ta sẽ gửi lệnh 0x18 cho LCD hoặc 0x1C để dịch chữ từ trái qua phải.Dưới đây là code mẫu tham khảo:
Video chạy chương trình trên Kit 8051 Pro:
3. Hiển Thị Ký Tự Đặc Biệt Lên LCD:
Dưới đây là bảng ký tự đặc biệt đã được nhà sản xuất thiết kế sẵn cho một số màn hình LCD phổ biến trên thị trường:

Để hiển thị các ký tự trên màn hình ta chỉ cần gửi 1 dữ liệu là 1 chuỗi 8 bit lên màn hình LCD.Để lấy chuỗi 8 bit đó từ ký tự cần dùng ta dóng sang hàng ngang ta sẽ được 4 bit thấp, dóng lên trên sẽ được 4 bit cao.
VD: Ta muốn gửi ký tự Ω ra màn hình từ ký tự này ta sẽ dong sang ngang là xxxx0100, dóng lên trên là 1111 nên 8 bit cần gửi là 11110100 đổi ra mã hexa là 0xF4.Tương tự kí tự α là 0xE0 và β là 0xE2...
Dưới đây là code tham khảo:
Trên đây là bài giới thiệu cơ bản về giao tiếp 8051 với LCD để các bạn tham khảo.Chúc các bạn thành công!!!
Trần Văn Khoa Trả lời
26/05/2020Bài của bạn rất bổ ích. mình đang làm 1 bài tập mình muốn hiển thị giá trị một biến trong chương trình chính ra LCD thì trong hàm hiển thị mình cần làm gì ?