Các Mạch Điện Tử Cơ Bản
1. Mạch Khuếch đại
1.1 - Khái niệm về mạch khuyếch đại.
Mạch khuếch đại được sử dụng trong hầu hết các thiết bị điện từ, như mạch khuyếch đại âm tần trong Cassete, Amply, Khuyếch đại tín hiệu video trong Ti vi mầu vv ...
Có ba loại mạch khuyếch đại chính là:
• Khuyếch đại về điện áp: Là mạch khi ta đưa một tín hiệu có biên độ nhỏ vào, đầu ra ta sẽ thu được một tín hiệu có biên độ lớn hơn nhiều lần.
• Mạch khuyếch đại về dòng điện: Là mạch khi ta đưa một tín hiệu có cường độ yếu vào, đầu ra ta sẽ thu được một tín hiệu cho cường độ dòng điện mạnh hơn nhiều lần.
• Mạch khuyếch đại công xuất: Là mạch khi ta đưa một tín hiệu có công xuất yếu vào, đầu ra ta thu được tín hiệu có công suất mạnh hơn nhiều lần, thực ra mạch khuyếch đại công xuất là kết hợp cả hai mạch Ở khuyếch đại điện áp và khuyếch đại dòng điện làm một.
1.2. Các chế độ hoạt động của mạch khuyếch đại.
Các chế độ hoạt động của mạch khuyếch đại là phụ thuộc vào chế độ phân cực cho Transistor, tuỳ theo mục đích sử dụng mà mạch khuyếch đại được phân cực để KĐ ở chế độ A, chế độ B, chế độ AB hoặc chế độ C.
a) Mạch khuyếch đại ở chế độ A.
Là các mạch khuyếch đại cần lấy ra tín hiệu hoàn toàn giống với tín hiệu ngõ vào.

Mạch khuyếch đại chế độ A khuyếch đại cả hai bán chu kỳ tín hiệu ngõ vào
* Để Transistor hoạt động ở chế độ A, ta phải định thiên sao cho điện áp UCE - 60% - 70% Vcc.
* Mạch khuyếch đại ở chế độ A được sử dụng trong các mạch trung gian như khuyếch đại cao tần, khuyếch đại trung tấn, tiền khuyếch đại v v.
b) Mạch khuyếch đại ở chế độ B. Mạch khuyếch đại chế độ B là mạch chị khuyếch đại một nửa chu kỳ của tín hiệu, nếu khuyếch đại bán kỳ dương ta dùng transistor NPN, nếu khuyếch đại bán kỳ âm ta dùng transistor PNP, mạch khuyếch đại ở chế độ B không có định thiên

Mạch khuyếch đại ở chế độ B chỉ khuyếchđại một bán chu kỳ của tín hiệu ngõ vào.
* Mạch khuyếch đại chế độ B thường được sử dụng trong các mạch khuếch đại công xuất đấy kéo như công xuất âm tần, cống xuất mành của Ti vi, trong các mạch công xuất dây kéo, người ta dùng hai đèn NPN và PNP mắc nối tiếp , mỗi đèn sẽ khuyếch đại một bán chu kỳ của tín hiệu, hai đèn trong mạch khuyếch đại đây kéo phải có các thông số kỹ thuật như nhau:
* Mạch khuyếch đại công xuất kết hợp cả hai chế độ A và B.

Mạch khuyếch đại công xuất Ấmply có; Q1 khuyếch đại ở Chế độ A, Q2 và 03 khuyếch đại ở chế độ B, Q2 khuyếch đại cho bán chu kỳ dương, Q3 khuyếch đại cho bán chu kỳ âm.
c) Mạch khuyếch đại ở chế độ AB.
Mạch khuyếch đại ở chế độ AB là mạch tương tự khuyếch đại ở chế độ B , nhưng có định thiện sao cho điện áp UEE sập si 0,6 V, mạch cũng chỉ khuyếch đại một nửa chu kỳ tín hiệu và khắc phục hiện tượng méo giao điểm của mạch khuyếch đại chế độ B, mạch này cũng được sử dụng trong các mạch công xuất đây kéo.
d) Mạch khuyếch đại ở chế độ C Là mạch khuyếch đại có điện áp UBE được phân cự ngược với mục đích chị lây tín hiệu đầu ra là một phần định của tín hiệu đầu vào, mạch này thường sử dụng trong các mạch tách tín hiệu: Thí dụ mạch tách xung đồng bộ trong ti vi mâu.

2. Các kiểu mắc của Transitor
2.1. Transistor mắc theo kiểu E chung.
Mạch mắc theo kiểu E chung có cực E đấu trực tiếp xuống mass hoặc đấu qua tụ xuống mass để thoát thành phân xoay chiều, tín hiệu đưa vào cực B và lấy ra trên cực C, mạch có sơ đồ như sau:

Mạch khuyếch đại điện áp mắc kiểu E chung, Tín hiệu đưa vào cực B và lây ra trên cực C
Rg: là điện trở chánh, Rất: Là điện trở định thiên, Rua : Là điện trở phân áp .
Đặc điểm của mạch khuyếch đại E chung.
• Mạch khuyếch đại E chung thường được định thiên sao cho điện áp UCE khoảng 60% - 70 % Vcc
• Biên độ tín hiệu ra thu được lớn hơn biên độ tín hiệu vào nhiều lần, như vậy mạch khuyếch đại về điện áр.
• Dòng điện tín hiệu ra lớn hơn dòng tín hiệu vào nhưng không đáng kể.
Tín hiệu đầu ra ngược pha với tín hiệu đầu vào: vì khi điện áp tín hiệu vào tăng => dòng IBE tăng = dòng ICE tăng = sụt áp trên Rg tăng => kết quả là điện áp chân C giảm , và ngược lại khi điện áp đầu
vào giảm thì điện áp chân C lại tăng => vì vậy điện áp đầu ra ngược pha với tín hiệu đầu vào.
• Mạch mắc theo kiểu E chung như trên được ứng dụng nhiều nhất trong thiết bị điện tử.
2.2. Transistor mắc theo kiểu C chung.
Mạch mắc theo kiểu C chung có chân C đấu vào mass hoặc dương nguồn ( Lưu ý: về phương diện xoay chiều | thi dương nguồn tương đương với mass ). Tín hiệu được đưa vào cực B và lấy ra trên cực E mạch có sơ đồ như sau:

Mạch mắc kiêu C chung, tín hiệu đưa vào cực B và lấy ra trên cực E
Đặc điểm của mạch khuyếch đại C chung .
- Tín hiệu đưa vào cực B và lấy ra trên cực E
- Biên độ tín hiệu ra bằng biên độ tín hiệu vào Vị mối BE luôn luôn có giá trị khoảng 0,6V do đó khi điện áp chân B tăng bao nhiêu thị áp chân C cũng tăng bấy nhiêu =) vì vậy biên độ tín hiệu ra băng biến độ tín hiệu vào ,
- Tín hiệu ra cũng pha với tín hiệu văn =) Vị khi điện áp vào tăng => thị điện áp ra cũng tăng điện áp vào giảm thì điện áp ra cũng giảm.
- Cường độ của tín hiệu ra mạnh hơn cường độ của tín hiệu vào nhiều lần: Vị khi tín hiệu vào có biên độ tăng dòng IEE sẽ tăng => dùng ICE cũng tăng gấp 3 lần dòng IBE vị. AN ICE - BIBE già sỪ Transistor có hệ số khuyếch đại B = 50 lần thì khi dòng IBE tăng 1m4 => dòng ICE sẽ tăng 50mA, dòng ICE chính là đồng của tín hiệu đầu ra, như vậy tín hiệu đầu ra có cường độ dòng điện mạnh hơn nhiều lần so với tín hiệu vào.
- Mạch trên được ứng dụng nhiều trong các mạch khuyếch đại đêm (Damper), trước khi chia tín hiệu làm nhiều nhánh người ta thường dùng mạch Damper để khuyếch đại cho tín hiệu khoẻ hơn. Ngoài ra mạch còn được ứng dụng rất nhiều trong các mạch ổn áp nguồn (ta sẽ tìm hiểu trong phần sau)
2.3 - Transistor mắc theo kiểu B chung.
• Mạch mắc theo kiểu B chung có tín hiệu đưa vào chân E và lấy ra trên chân C, chân B được thoát massthông qua tụ.
• Mach mắc kiểu B chung rất ít khi được sử dụng trong thực tế.

Mạch khuyếch đại kiểu B chung, khuyếch đại về điện áp và không khuyếch đại về dòng điện.
3. Mạch kiểu ghép tầng
3.1 - Ghép tầng qua tụ điện.
* Sơ đồ mạch ghép tảng qua tụ điện

Mạch khuyếch đại đầu từ - có hai tầng khuyếch
đại được ghép với nhau qua tụ điện.
• ở trên là sơ đồ mạch khuyếch đại đầu từ trong đài Cassette, mạch gồm hai tầng khuyếch đại mắc theo
kiêu E chung, các tầng được ghép tín hiệu thông qua tụ điện, người ta sử dụng các tụ C1, C3, C5 làm tụ nôi tâng cho tín hiệu xoay chiều đi qua và ngăn áp một chiều lại, các tụ C2 và C4 có tác dụng thoát thành phân xoay chiều từ chân E xuống mass, C6 là tụ lọc nguồn.
• Ưu điểm của mạch là đơn giản, dễ lắp do đó mạch được sử dụng rất nhiều trong thiết bị điện tử, nhược
điểm là không khai thác được hết khả năng khuyếch đại của Transistor do đó hệ số khuyếch đại không lớn.
• ở trên là mạch khuyếch đại âm tần, do đó các tụ nối tầng thường dùng tụ hoá có trị số từ 1uF - 10uF.
• Trong các mạch khuyếch đại cao tần thì tụ nối tầng có trị số nhỏ khoảng vài nanô Fara.
3.2 - Ghép tầng qua biến áp.
* Sơ đồ mạch trung tần tiếng trong Radio sử dụng biển áp ghép tầng

Tầng Trung tâm tiếng của Radio sử dụng biến áp ghép tầng.
• ở trên là sơ đồ mạch trung tần Radio sử dụng các biến áp ghép tầng, tín hiệu đầu ra của tầng này được ghép qua biến áp để đi vào tầng phía sau.
• Ưu điểm của mạch là phối hợp được trở kháng giữa các tầng do đó khai thác được tối ưu hệ số khuyếch
đại, hơn nữa cuộn sơ cấp biến áp có thể đầu song song với tụ để cộng hưởng khi mạch khuyếch đại ở
một tần số cố định.
• Nhược điểm: nếu mạch hoạt động ở dải tần số rộng thì gây méo tần số, mạch chế tạo phức tạp và chiếm nhiều diện tích.
3.3 Ghép tần trực tiếp

4. Phương pháp kiểm tra một tầng khuếch đại
4.1.Trong các mạch khuyếch đại (chế độ A) thì phân cục như thế nào là đúng.

Mạch khuyếch đại được phân cực đúng.
• Mạch khuyếch đại ( chế độ A) được phân cực đúng là mạch có UBE -0.6V ; UCE -60% - 70% Vcc
• Khi mạch được phân cực đúng ta thấy, tín hiệu ra có biên độ lớn nhất và không bị méo tín hiệu.
4.2 Mạch khuếch đại (chế độ A) bị phân cực sai

Mạch khuyếch đại bị phân cực sai, điện áp UCE quá thấp .

Mạch khuyếch đại bị phân cực sai, điện áp UCE quá cao .
• Khi mạch bị phân cực sại (tức là UCE quá thấp hoặc quá cao) ta thấy rằng tín hiệu ra bị méo dạng, hệ số khuyếch đại của mạch bị giảm mạnh.
• Hiện tượng méo dạng trên sẽ gây hiện tượng âm thanh bị rè hay bị nghẹt ở các mạch khuyếch đại âm tán.
Phương pháp kiểm tra một tầng khuyếch đại.
• Một tầng khuyếch đại nếu ta kiểm tra thấy UCE quá thấp so với nguồn hoặc quá cao sấp sỉ bằng nguồn thì tăng khuyếch đại đó có vấn đề.
• Nếu UCE quá thấp thì có thể do chập CE (hỏng Transistor) , hoặc đứt Rg.
• Nếu UCE quá cao - Vcc thì có thể đứt Rớt hoặc hỏng Transistor.
• Một tầng khuyếch đại còn tốt thông thường có:
UBE - 0,6V; UCE - 60% - 70% Vcc
5. Mạch chỉnh lưu điện xoay chiều
5.1. Bộ nguồn trong các mạch điện tử.
Trong các mạch điện tử của các thiết bị như Radio Cassette, Amlpy, Ti vi mầu, Đầu VCD v v... chúng sử dụng nguồn một chiều DC ở các mức điện áp khác nhau, nhưng ở ngoài zắc căm của các thiết bị này lại căm trực tiếp vào nguồn điện AC 220V 50Hz, như vậy các thiết bị điện từ cần có một bộ phận để chuyển đổi từ nguồn xoay chiều ra điện áp một chiều, cung cấp cho các mạch trên, bộ phận chuyên đôi bao gồm:
• Biến áp nguồn: Hạ thế từ 220V xuống các điện áp thấp hơn như 6V, 9V, 12V, 24V v v...
• Mạch chỉnh lưu: Đối điện AC thành D.
• Mạch lọc Lọc gợn xoay chiều sau chinh lưu cho nguồn DC phẳng hơn.
• Mạch ôn áp: Giữ một điện áp cố định cung cấp cho tài tiêu thụ

Sơ đồ tổng quát của mạch cấp nguồn.
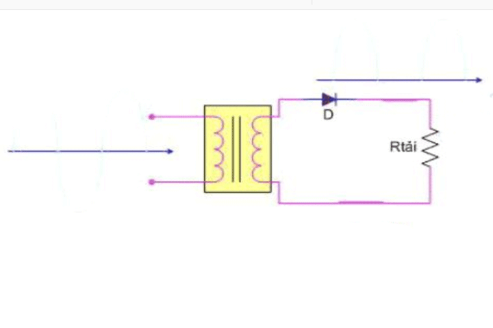
5.2. Mạch chỉnh lưu bán chu kỳ
Mạch chỉnh lưu bán chu kỳ sử dụng một Diode mắc nối tiếp với tải tiêu thụ, ở chu kỳ dương => Diode được phân cực thuận do đó có dòng điện đi qua diode và đi qua tài, ở chu kỳ âm, Diode bị phân cực ngược do đó không có dòng qua tài.

Dạng điện áp đầu ra của mạch chỉnh lưu bán chu kỳ.
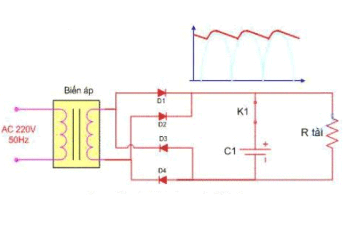
5.3 Mạch chỉnh lưu cả chu kỳ
Mạch chỉnh lưu cà chu kỳ thường dùng 4 Diode mắc theo hình cầu (còn gọi là mạch chỉnh lưu cầu) như hình dưới.

Mạch chỉnh lưu cả chu kỳ.
•ở chu kỳ dương (đầu dây phía trên dương, phía dưới âm) dòng điện đi qua diode D1 => qua tài => qua diode D4 về đấu dây âm
• ở chu kỳ âm, điện áp trên cuộn thứ cấp đảo chiều (đầu dây ở trên âm, ở dưới dương) dòng điện đi qua D2 => qua Rtải = qua D3 về đấu dây âm.
• Như vậy cả hai chu kỳ đều có dòng điện chạy qua tài
6. Mạch lọc và mạch chỉnh lưu bội áp
6.1. Mạch lọc dùng tụ điện.
Sau khi chỉnh lưu ta thu được điện áp một chiều nhấp nhô, nếu không có tụ lọc thì điện áp nhấp nhô này chưa thể dùng được vào các mạch điện từ, do đó trong các mạch nguồn, ta phải lập thêm các tụ lọc có trị số từ vài | trăm F đến vài ngàn uF vào sau cầu Diode chỉnh lưu.

Dạng điện áp DC của mạch chỉnh lưu
trong hai trường hợp có tụ và không có tụ
• Sơ đồ trên minh hoạ các trường hợp mạch nguồn có tụ lọc và không có tụ lọc.
• Khi công tắc K mở, mạch chỉnh lưu không có tụ lọc tham gia, vì vậy điện áp thu được có dạng nhấp nhô.
• Khi công tắc (đóng mạch chỉnh lưu có tụ C1 tham gia lọc nguồn, kết quả là điện áp đầu ra được lọc tương đối phẳng, nếu tụ C1 có điện dung càng lớn thì điện áp ở đầu ra càng bằng phẳng, tụ C1 trong các bộ nguồn thường có trị số khoảng vài ngàn uF.

Minh hoạ: Điện dụng của tụ lọc càng lớn
thì điện áp đầu ra càng bằng phẳng.
• Trong các mạch chỉnh lưu, nếu có tụ lọc mà không có tài hoặc tài tiêu thụ một công xuất không đáng kể | so với công xuất của biến áp thì điện áp DC thu được là DC = 1,4 AC
6.2 - Mạch chỉnh lưu nhân 2.

Sơ đồ mạch nguồn chỉnh lưu nhân 2
• Để trở thành mạch chỉnh lưu nhân 2 ta phải dùng hai tụ hoá cùng trị số mắc nối tiếp, sau đó đấu 1 đầu của điện áp xoay chiều vào điểm giữa hai tụ => ta sẽ thu được điện áp tăng gấp 2 lần.
• ở mạch trên, khi công tắc K mở, mạch trở về dạng chỉnh lưu thông thường.
• Khi công tắc K đóng, mạch trở thành mạch chỉnh lưu nhân 2, và kết quả là ta thu được điện áp ra tăng gấp 2 lần.
7. Mạch ổn áp cố định
7.1 - Mạch ổn áp cố định dùng Diode Zener.
Mạch ổn áp tạo áp 33V cố định cung cấp cho mạch dò kênh trong Ti vi mâu
• Từ nguồn 110V không cố định thông qua điện trở hạn dòng R1 và gim trên Dz 33V để lấy ra một điện áp cố định cung cấp cho mạch dò kênh
• Khi thiết kế một mạch ổn áp như trên ta cần tính toán điện trở hạn dòng sao cho dòng điện ngược cực đại qua Dz phải nhỏ hơn dòng mà Dz chịu được, dòng cực đại qua Dz là khi dùng qua R2 = 0
• Như sơ đồ trên thì dòng cực đại qua Dz bằng sụt áp trên R1 chia cho giá trị R1 , gọi dòng điện này là 1 ta có
L1 = (110 - 33 ) / 7500 = 77 / 7500 – 10mA
Thông thường ta nên để dòng ngược qua Dz < 25 mA 2
7.2. Mạch ổn áp cố định dùng Transistor, IC ổn áp.
Mạch ổn áp dùng Diode Zener như trên có ưu điểm là đơn giản nhưng nhược điểm là cho dòng điện nhỏ (< 20mA). Để có thể tạo ra một điện áp cố định nhưng cho dòng điện mạnh hơn nhiều lần người ta mắc thêm Transistor để khuyếch đại về dòng như sơ đồ dưới đây:

Mạch ổn áp có Transistor khuyếch đại
• ở mạch trên điện áp tại điểm A có thể thay đổi và còn gợn xoay chiều nhưng điện áp tại điểm B không thay đổi và tương đối phăng.
• Nguyên lý ổn áp : Thông qua điện trở R1 và Dz gim cố định điện áp chân B của Transistor Q1, giả sử khi điện áp chân E đèn Q1 giảm => khi đó điện áp UBE tăng => dòng qua đèn Q1 tăng => làm điện áp chân E của đèn tăng , và ngược lại ...
• Mạch ổn áp trên đơn giản và hiệu quả nên được sử dụng rất rộng dãi và người ta đã sản xuất các loại IC họ LẠ78.. để thay thế cho mạch ổn áp trên, IC LA78, có sơ đồ mạch như phần mạch có màu xanh của sơ đồ trên.
7.3. Ứng dụng của IC ổn áp họ 78.
IC ổn áp họ 78. được dùng rộng rãi trong các bộ nguồn, như Bộ nguồn của đầu VCD, trong Ti vi mầu, trong máy tính v V...

Ứng dụng của IC ổn áp LA7805 và LA7808 trong bộ nguồn đầu VCD
8. Mạch ổn áp tuyến tính (có hồi tiếp)
8.1 - Sơ đồ khối của mạch ổn áp có hồi tiếp.

Sơ đồ khối của mạch ổn áp có hồi tiếp.
* Một số đặc điểm của mạch ổn áp có hỏi tiếp:
• Cung cấp điện áp một chiều ở đầu ra không đổi trong hai trường hợp điện áp đầu vào thay đổi hoặc dòng tiêu thụ của tài thay đổi, tuy nhiên sự thay đổi này phải có giới hạn.
• Cho điện áp một chiều đầu ra có chất lượng cao, giảm thiểu được hiện tượng gợn xoay chiều.
* Nguyên tắc hoạt động của mạch:
• Mạch lấy mẫu sẽ theo dõi điện áp đầu ra thông qua một cầu phân áp tạo ra (Ulm : áp lấy mẫu)
• Mạch tạo áp chuẩn => gim lấy một mức điện áp cố định (Úc áp chuẩn)
• Mạch so sánh sẽ so sánh hai điện áp lấy mẫu Ulm và áp chuẩn Úc để tạo thành điện áp điều khiển.
• Mạch khuếch đại sửa sai sẽ khuếch đại áp điều khiển, sau đó đưa về điều chỉnh sự hoạt động của đèn
công xuất theo hướng ngược lại, nếu điện áp ra tăng => thông qua mạch hồi tiếp điều chỉnh => đèn công xuất dẫn giảm => điện áp ra giảm xuống. Ngược lại nếu điện áp ra giám => thông qua mạch hồi tiếp điều chính = đèn công xuất lại dẫn tăng => và điện áp ra tăng lên => kết quả điện áp đầu ra không thay doi.
8.2. Phân tích hoạt động của mạch nguồn có hồi tiếp trong Ti vi đen trắng Samsung

Mạch ổn áp tuyến tính trong Ti vi Samsung đen trắng.
* Ý nghĩa các linh kiện trên sơ đồ.
•Tụ 2200uF là tụ lọc nguồn chính, lọc điện áp sau chinh lưu 18V, đây cũng là điện áp đầu vào của mạch ổn áp, điện áp này có thể tăng giảm khoảng 15%.
• Q1 là đèn công xuất nguồn cung cấp dòng điện chính cho tài, điện áp đầu ra của mạc ổn áp lấy từ chân C đèn Q1 và có giá trị 12V cố định.
• R1 là trở phân dòng có công suất lớn ghánh bớt một phần dòng điện đi qua đèn công xuất.
• Cầu phân áp R5, VR1 và R6 tạo ra áp lấy mẫu đưa vào chân B đèn Q2.
• Diode Zener Dz và R4 tạo một điện áp chuẩn cố định so với điện áp ra.
• 02 là đèn so sánh và khuyếch đại điện áp sai lệch => đưa về điều khiển sự hoạt động của đèn công xuất Q1.
• R3 liên lạc giữa Q1 và 02, R2 phân áp cho Q1
* Nguyên lý hoạt động:
• Điện áp đầu ra sẽ có xu hướng thay đổi khi điện áp đầu vào thay đổi, hoặc dùng tiêu thụ thay đổi.
• Giả sử: Khi điện áp vào tăng => điện áp ra tăng => điện áp chân E đèn 02 tăng nhiều hơn chân B ( do
có Dz gim từ chân E đèn 02 lên Ura, còn Ulm chị lấy một phần Ura) do đó UBE giảm => đèn Q2 dẫn giảm => đèn Q1 dẫn giảm => điện áp ra giảm xuống. Tương tự khi Uvào giảm, thông qua mạch điều chinh => ta lại thu được Ura tăng. Thời gian điều chỉnh của vòng hối tiếp rất nhanh khoảng vài - giây và được các tụ lọc đầu ra loại bỏ, không làm ảnh hưởng đến chất lượng của điện áp một chiếu => kết quả là điện áp đầu ra tương đối phăng.
• Khi điều chỉnh biến trở VR1 , điện áp lấy mẫu thay đổi, độ dẫn đèn Q2 thay đổi độ dẫn đèn Q1 thay đổi => kết quả là điện áp ra thay đổi, VR1 dùng để điều chỉnh điện áp ra theo ý muốn.
8.3 - Mạch nguồn Ti vi nội địa nhật.

Sơ đồ mạch nguồn ổn áp tuyến tính trong Ti vi mẫu nội địa Nhật.
• C1 là tụ lọc nguồn chính sau cầu Diode chỉnh lưu.
• C2 là tụ lọc đầu ra của mạch nguồn tuyến tính.
• Cầu phân áp R4, VR1, R5 tạo ra điện áp lấy mẫu ULM
• R2 và Dz tạo ra áp chuẩn Úc
• R3 liên lạc giữa Q3 và Q2, R1 định thiên cho đèn công xuất Q1
• R6 là điện trở phân dòng, là điện trở công xuất lớn.
• 03 là đèn so sánh và khuếch đại áp dò sai
• Khuếch đại điện áp dò sai
• 01 đèn công xuất nguồn
=> Nguồn làm việc trong dài điện áp vào có thể thay đổi 10%, điện áp ra luôn luôn cố định.
9. Mạch tạo dao động
9.1. Khái niệm về mạch dao động
Mạch dao động được ứng dụng rất nhiều trong các thiết bị điện tử, như mạch dao động nội trong khối RF Radio, trong bộ kênh ti vi mẫu, Mạch dao động tạo xung dòng xung mành trong Ti vi, tạo sóng hình sin cho IC Vi xử lý hoạt động v v...
Mạch dao động hình Sin
• Mạch dao động đa hài
• Mạch dao động nghẹt
• Mạch dao động dùng IC
9.2. Mạch dao động hình Sin
Người ta có thể tạo dao động hình Sin từ các linh kiện L - C hoặc từ thạch anh,
* Mạch dao động hình Sin dùng L C

• Mach dao động trên có tụ C1 / L1 tạo thành mạch dao động L-C Đế duy trì sự dao động này thì tín hiệu dao động được đưa vào chân B của Transistor, R1 là trở định thiên cho Transistor, R2 là trờ gánh để lấy ra tín hiệu dao động ra , cuộn dây đầu từ chân E Transistor xuống mass có tác dụng lấy hối tiếp để duy trị dao động. Tần số dao động của mạch phụ thuộc vào C1 và L1 theo công thức
f= 1/2.(L1.C1) 1/2
* Mạch dao động hình sin dùng thạch anh.

Mạch tạo dao động bằng thạch anh.
• X1: là thạch anh tạo dao động, tần số dao động được ghi trên thân của thach anh, khi thạch anh được cấp điện thì nó tự dao động ra sóng hình sin thạch anh thường có tần số dao động từ vài trăm KHz đến vài chục MHz.
• Đèn Q1 khuyếch đại tín hiệu dao động từ thạch anh và cuối cùng tín hiệu được lấy ra ở chân C.
• R1 vừa là điện trở cấp nguồn cho thạch anh vừa định thiên cho đèn Q1
• R2 là trở ghánh tạo ra sụt áp để lấy ra tín hiệu.
9.3 - Mạch dao động đa hài.

Mạch dao động đa hài tạo xung vuông
* Bạn có thể tự lắp sơ đồ trên với các thông số như sau:
• R1 = R4 = 1 KO
• R2 = R3 = 100K
• C1 = C2 = 10uF/16V
• Q1 = Q2 = đèn C828
• Hai đèn Led
• Nguồn Vcc là 6V DC
• Tổng giá thành linh kiện hết khoảng 4.000 VNĐ
* Giải thích nguyên lý hoạt động : Khi cấp nguồn , giả sử đèn Q1 dẫn trước, áp Uc đèn Q1 giảm => thông qua C1 làm áp Ub đèn 02 giảm = 22 tắt = áp Uc đèn 02 tăng => thông qua C2 làm áp Ub đèn 01 tăng => xác lập trạng thái Q1 dẫn bão hoà và 02 tắt , sau khoảng thời gian t, dòng nạp qua R3 vào tụ C1 khi điện áp này > 0,6V thì đèn 02 dẫn => áp Uc đèn 02 giảm => tiếp tục như vậy cho đến khi Q2 dẫn bão hoà và 01 tắt, trạng thái lặp đi lặp lại và tạo thành dao động, chu kỳ dao động phụ thuộc vào C1, C2 và R2, R3.
10. Thiết kế mạch dao động bằng IC

Mạch dao động tạo xung bằng C 555
• Bạn hãy mua một IC họ 555 và tự lắp cho mình một mạch tạo dao động theo sơ đồ nguyên lý như trên.
• Vcc cung cấp cho IC có thể sử dụng từ 4,5V đến 15V, đường mạch mầu đỏ là dương nguồn, mạch mầu đen dưới cùng là âm nguồn.
• Tụ 103 (10nF) từ chân 5 xuống mass là cố định và bạn có thể bỏ qua (không lắp cũng được)
• Khi thay đổi các điện trở R1, R2 và giá trị tụ C1 bạn sẽ thu được dao động có tần số và độ rộng xung theo ý muốn theo công thức.

Trên đây là tổng hợp những mạch điện tử cơ bản mà những người mới nên biết, mong rằng chúng sẽ giúp ích cho bạn. Tìm hiểu các bài viết khác tại Linh Kiện Điện Tử 3M.
Tìm hiểu thêm bài viết: ĐIỆN TỬ CĂN BẢN- CÁC LINH KIỆN MẠCH ĐIỆN CƠ BẢN
