Hướng dẫn làm mạch Led nháy theo nhạc đơn giản sử dụng IC AN6884
Ở những hướng dẫn trước mình đã hướng dẫn các bạn làm đèn Led nháy theo nhạc Police. Ở mạch đó ta điều khiển nháy từng khối Led. Còn trong bài hôm nay mình sẽ hướng dẫn các bạn làm mạch Led nháy theo nhạc mà độ sáng của bóng Led tăng hay giảm phụ thuộc vào độ mạnh của âm thanh và có thể điều chỉnh được nhé. Hãy băt tay làm cùng Linh kiện điện tử 3M nhé!

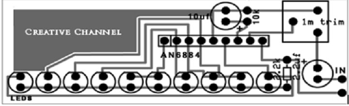
Mạch Led nháy theo nhạc đơn giản sử dụng IC AN6884
Linh kiện cần thiết
- 01 IC AN6884
- 01 bộ tăng amply
- 01 Tụ hóa 450V-2,2µF
- 01 Tụ hóa 25V-10µF
- 01 Biến trở tam giác 10K
- 01 Trở 91Ω
- 01 Trở 10K Ω
- Dây điện
- Bìa cứng 3x8cm
- 10 Led 3V ( màu sắc tùy ý )
- Máy khoan, mỏ hàn,…

Hình ảnh linh kiện
Hướng dẫn các bước lam mạch Led nháy theo nhạc
Bước 1: Các bạn tải File mạch in sau đây về làm mạch nhé
https://goo.gl/1pUruA

Mạch in

Sơ đồ nguyên lý

Sơ đồ lắp đặt
Chú ý:
Trong File đã có đầy đủ mạch in, sơ đồ nguyên lý và sơ đồ lắp đặt để các bạn dễ dàng làm mạch nhé
Bước 2: Cắt một tấm bìa cứng vừa vặn với mạch in nào

Bìa cứng
Bước 3: Dán lớp mạch in lên tấm bìa cứng

Dán mạch in lên bìa cứng
Chú ý:
- Các bạn dùng băng dính để dán mạch in lên bìa cứng và nhớ là đừng dán lên phần mạch in màu đen nhé
- Dán xong dùng kéo cắt miếng bìa đã gắn mạch in cho vừa vặn như hình ảnh nhé!
Bước 4: Khoan lỗ chân linh kiện

Khoan lỗ chân linh kiện
Bước 5: Gắn IC AN8884 vào mạch

Gắn IC AN8884 vào mạch
Chú ý:
- Các bạn gắn đúng trong sơ đồ lắp đặt nhé
- Chân số 1 của IC là chân gần đầu khuyết của IC nhất
Bước 6: Gắn tụ điện, biến trở và trở vào mạch

Gắn tụ, biến trở và trở vào mạch
Chú ý:
- Các bạn gắn đúng cực âm dương của tụ điện vào mạch giống như trong sơ dồ nguyên lý
- Chân ngắn hơn của tụ là chân âm ( hoặc trên đâu có vạch trắng )
Bước 7: Gắn bóng led vào mạch

Gắn bóng Led vào mạch
Chú ý:
- Tất cả các chân dương của bóng Led hàn vào dãy ngoài cùng, chân âm của đèn Led gắn vào dãy trong của mạch in
- Chân ngắn hơn của Led ( đầu to hơn ) là chân “-“ và ngược lại
Bước 8: Hàn chân linh kiện

Hàn chân IC, trở và biến trở

Hàn chân linh kiện hoàn chỉnh
Chú ý:
- Tất cả các chân linh kiện sẽ được hàn theo phần mạch in màu đen.
- Hàn nối tiếp tất cả chân dương của đèn Led với nhau và hàn luôn vào chân trở
- Hàn tất cả các chân âm của Led vào chân IC giống như trong mạch in
- Nếu chân linh kiện ngắn không đủ chiều dài thì các bạn dùng dây nối để câu đến chân IC cần hàn
Bước 9: Cấp nguồn và nguồn audio vào mạch

Sơ đồ đấu dây nguồn và audio
Bước 10: Đấu dây nguồn, audio vào mạch amply đã làm ở bài trước

Đấu dây vào mạch amply
Chú ý:
- Dây tín hiệu audio đấu vào một dầu ra của loa
- Các dây cực của 2 mạch được đấu với nhau
Bước 11: Test thử sản phẩm

Test thử sản phẩm
Lưu ý:
- Các bạn dùng nguồn 12V để cấp cho mạch nhé
- Để điều chỉnh độ nháy của Led các bạn điều chỉnh biến áp nhé
Như vây là chúng ta đã hoàn thành bộ sản phẩm gồm mạch amply và Led nháy theo nhạc rồi nhé. Cũng khá đơn giản đúng không các bạn?
Mọi thắc mắc các bạn có thể liên hệ tới bộ phận kĩ thuật của chúng tôi qua Hotline:024.6686.4747
Linh kiện điện tử 3M Chúc các bạn thành công với dự án của mình nhé !
HillMat Trả lời
21/06/2022vice city market cannahome link