Đơn vị nhiệt độ:°C
Nhiệt độ thay đổi tuyến tính: 10mV/°C
Độ chính xác ±0.5°C tại 25°C
Giới hạn đo từ -55°C đến 150°C
Nguồn hoạt động từ 3-5.5V
LM35 có hiệu năng cao, công suất tiêu thụ 60uA
Kiểu đóng gói chân TO-92
Cảm biến nhiệt độ LM35
Cảm biến nhiệt độ LM35 là loại cảm biến Analog, đo nhiệt độ và đưa ra chân Vout một giá trị điện áp tương ứng với giá trị nhiệt độ đo được.

Cảm Biến Nhiệt Độ LM35
Đơn vị nhiệt độ:°C
Nhiệt độ thay đổi tuyến tính: 10mV/°C
Độ chính xác ±0.5°C tại 25°C
Giới hạn đo từ -55°C đến 150°C
Nguồn hoạt động từ 3-5.5V
LM35 có hiệu năng cao, công suất tiêu thụ 60uA
Kiểu đóng gói chân TO-92

Sơ đồ chân của LM35
Điện áp đầu ra tại chân Vout được tính như sau:
Vout [Vols] = [Nhiệt độ] * 10 [mV/°C] = [Nhiệt độ] / 100
Để đọc được giá trị trên chân Vout, người ta sử dụng bộ chuyển đổi ADC (Analog to Digital Converter) chuyển giá trị tương tự sang số. Tức là đọc giá trị điện áp trên chân Vout và chuyển đổi sang giá trị số là nhiệt độ đo được.
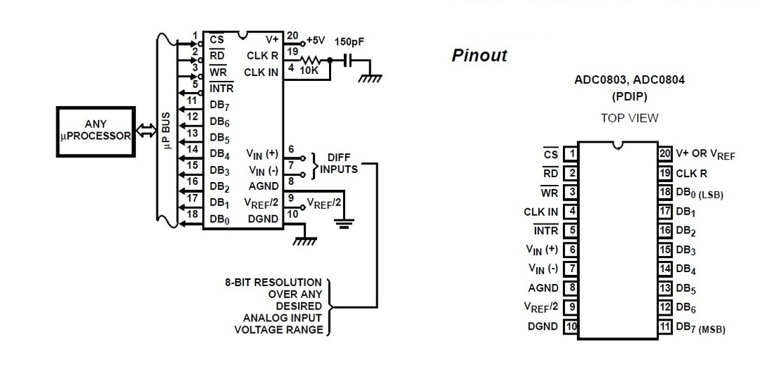
Hướng dẫn sử dụng cảm biến LM35 với ADC0804 và Vi điều khiển 8051:
ADC0804 là một IC có thể chuyển đổi điện áp đầu vào tương tự với đầu ra kỹ thuật số. ADC0804 có đầu ra là 8-bit với sơ đồ chân như hình dưới đây:

ADC0804 pinout
Để biết chi tiết hơn về nguyên lý hoạt động của ADC0804, các bạn có thể tham khảo Datasheet tại đây.
Dưới đây là một đoạn code đơn giản viết bằng ngôn ngữ C để ADC0804 hoạt động:
// chọn chip, kích hoạt IC
CS = 0;
// Tạo xung bắt đầu chuyển đổi analog sang tín hiệu số
WR = 0;
delay (10);
WR = 1;
// xung cho phép dữ liệu từ thanh ghi ra các chân khi RD=0
RD = 1;
while (INTR == 1); // Đến khi INTR == 0 tức là đã chuyển đổi xong.
RD = 0; // cho phép đưa dữ liệu ra các chân DB0-DB7
Sơ đồ nguyên lý:

AT89s52 & ADC0804


Sơ Đồ Chân Kết Nối Của Cảm Biến Nhiệt Độ LM35

Hình Ảnh Thực Tế Của Cảm Biến Nhiệt Độ LM35
Download Code + Mô phỏng Proteus:
http://www.mediafire.com/file/7rajd38k9bwd3b9/CTR_89s52_LM35_ADC0804_LCD1602.rar
Chế độ bảo hành
Chế độ bảo hành sản phẩm của Linh Kiện Điện Tử 3M
Bảo đảm chất lượng
Sản phẩm được Test, dán Tem trước khi được đóng gói Kĩ Càng gửi cho Quý Khách
Cước vận chuyển
Cước vận chuyển được tự động đồng bộ đơn vị vận chuyển, Sản phẩm phát ngay trong ngày. Hỗ trợ đơn hàng: 0865.853.416
Hỗ trợ kỹ thuật
Tư vấn kĩ thuật: 0865.853.416 Khi khách hàng gặp khó khăn trong quá trình sử dụng