Cảm biến nhiệt độ DS18B20
Cảm biến nhiệt độ DS18B20 sử dụng chuẩn giao tiếp 1-WIRE (đường dẫn tín hiệu và đường dẫn điện áp nguồn nuôi có thể dùng chung trên một dây dẫn). Ngoài ra, nhiều cảm biến có thể dùng chung trên một đường dẫn (Rất thích hợp với các ứng dụng đo lường đa điểm)

Cảm Biến Nhiệt Độ DS18B20
Độ phân giải khi đo nhiệt độ là 9 bit.
Dải đo nhiệt độ -55oC đến 125oC, từng bậc 0,5oC, có thể đạt độ chính xác đến 0,1oC bằng việc hiệu chỉnh qua phần mềm (Có thể đạt đến các độ phân giải 10 bit, 11 bit, 12 bit).
Điện áp nguồn nuôi có thể thay đổi trong khoảng rộng (từ 3,0 V đến 5,5 V).
Dòng tiêu thụ tại chế độ nghỉ cực nhỏ.
Thời gian chuyển đổi nhiệt độ tối đa là 750ms cho độ phân giải 12bit.
Mỗi cảm biến có một mã định danh duy nhất 64 bit chứa trong bộ nhớ ROM trên chip (on chip).

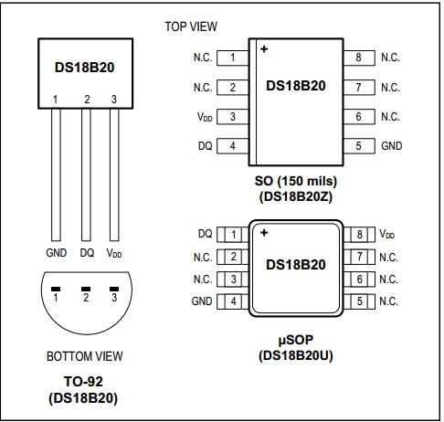
Sơ đồ chân DS18B20
a. Tìm hiểu về các lệnh ROM liên quan đến DS18B20
- READ ROM (33h)
Cho phép đọc ra 8 byte mã đã khắc bằng laser trên ROM, bao gồm: 8 bit mã định tên linh kiện (10h), 48 bit số xuất xưởng, 8 bit kiểm tra CRC. Lệnh này chỉ dùng khi trên bus có 1 cảm biến DS1820, nếu không sẽ xảy ra xung đột trên bus do tất cả các thiết bị tớ cùng đáp ứng.
- MATCH ROM (55h)
Lệnh này được gửi đi cùng với 64 bit ROM tiếp theo, cho phép bộ điều khiển bus chọn ra chỉ một cảm biến DS1820 cụ thể khi trên bus có nhiều cảm biến DS1820 cùng nối vào. Chỉ có DS1820 nào có 64 bit trên ROM trung khớp với chuỗi 64 bit vừa được gửi tới mới đáp ứng lại các lệnh về bộ nhớ tiếp theo. Còn các cảm biến DS1820 có 64 bit ROM không trùng khớp sẽ tiếp tục chờ một xung reset. Lệnh này được sử dụng cả trong trường hợp có một cảm biến một dây, cả trong trường hợp có nhiều cảm biến một dây.
- SKIP ROM (CCh)
Lệnh này cho phép thiết bị điều khiển truy nhập thẳng đến các lệnh bộ nhớ của DS1820 mà không cần gửi chuỗi mã 64 bit ROM. Như vậy sẽ tiết kiệm được thời gian chờ đợi nhưng chỉ mang hiệu quả khi chỉ có một cảm biến.
- SEARCH ROM (F0h)
Lệnh này cho phép bộ điều khiển bus có thể dò tìm được số lượng thành viên tớ đang được đấu vào bus và các giá trị cụ thể trong 64 bit ROM của chúng bằng một chu trình dò tìm.
- ALARM SEARCH (ECh)
Tiến trình của lệnh này giống hệt như lệnh Search ROM, nhưng cảm biến DS1820 chỉ đáp ứng lệnh này khi xuất hiện điều kiện cảnh báo trong phép đo nhiệt độ cuối cùng. Điều kiện cảnh báo ở đây được định nghĩa là giá trị nhiệt độ đo được lớn hơn giá trị TH và nhỏ hơn giá trị TL là hai giá trị nhiệt độ cao nhất và nhiệt độ thấp nhất đã được đặt trên thanh ghi trong bộ nhớ của cảm biến.
Sau khi thiết bị chủ (thường là một vi điều khiển) sử dụng các lệnh ROM để định địa chỉ cho các cảm biến một dây đang được đấu vào bus, thiết bị chủ sẽ đưa ra các lệnh chức năng DS1820. Bằng các lệnh chức năng thiết bị chủ có thể đọc ra và ghi vào bộ nhớ nháp (scratchpath) của cảm biến DS1820. khởi tạo quá trình chuyển đổi giá trị nhiệt độ đo được và xác định chế độ cung cấp điện áp nguồn. Các lệnh chức năng có thể được mô tả ngắn gọn như sau:
- WRITE SCRATCHPAD (4Eh)
Lệnh này cho phép ghi 2 byte dữ liệu vào bộ nhớ nháp của DS1820. Byte đầu tiên được ghi vào thanh ghi TH (byte 2 của bộ nhớ nháp) còn byte thứ hai được ghi vào thanh ghi TL (byte 3 của bộ nhớ nháp). Dữ liệu truyền theo trình tự đầu tiên là bit có ý nghĩa nhất và kế tiếp là những bit có ý nghĩa giảm dần. Cả hai byte này phải được ghi trước khi thiết bị chủ xuất ra một xung reset hoặc khi có dữ liệu khác xuất hiện.
- READ SCRATCHPAD (BEh)
Lệnh này cho phép thiết bị chủ đọc nội dung bộ nhớ nháp. Quá trình đọc bắt đầu từ bit có ý nghĩa nhấy của byte 0 và tiếp tục cho đến byte thứ 9 (byte 8 - CRC). Thiết bị chủ có thể xuất ra một xung reset để làm dừng quá trình đọc bất kỳ lúc nào nếu như chỉ có một phần của dữ liệu trên bộ nhớ nháp cần được đọc.
- COPYSCRATCHPAD (48h)
Lệnh này copy nội dung của hai thanh ghi TH và TL (byte 2 và byte 3) vào bộ nhớ EEPROM. Nếu cảm biến được sử dụng trong chế dộ cấp nguồn l bắt đầu việc đo.
- CONVERT T (44h)
Lệnh này khởi động một quá trình đo và chuyển đổi giá trị nhiệt độ thành số (nhị phân). Sau khi chuyển đổi giá trị kết quả đo nhiệt độ được lưu trữ trên thanh ghi nhiệt độ 2 byte trong bộ nhớ nháp Thời gian chuyển đổi không quá 200 ms, trong thời gian đang chuyển đổi nếu thực hiện lệnh đọc thì các giá trị đọc ra đều bằng 0.
- READ POWER SUPPLY (B4h)
Một lệnh đọc tiếp sau lệnh này sẽ cho biết DS1820 đang sử dụng chế độ cấp nguồn như thế nào, giá trị đọc được bằng 0 nếu cấp nguồn bằng chính đường dẫn dữ liệu và bằng 1 nếu cấp nguồn qua một đường dẫn riêng.

Kích Thước Cảm Biến Nhiệt Độ DS18B20
b. Cách config độ phân giải cho ds18b20
Sơ đồ bộ nhớ của ds18b20:

Các byte thứ 5 của bộ nhớ đệm có chức năng đăng ký cấu hình (config) cho ds18b20, và các bít được tổ chức như sau:

Các bit từ 0 đến 4 luôn được đọc giá trị là 1, bít số 7 luôn được đọc giá trị là 0. Cấu hình độ phân giải cho ds18b20 được quyết định bởi R1 và R0 ta có bảng thiết lập như sau.

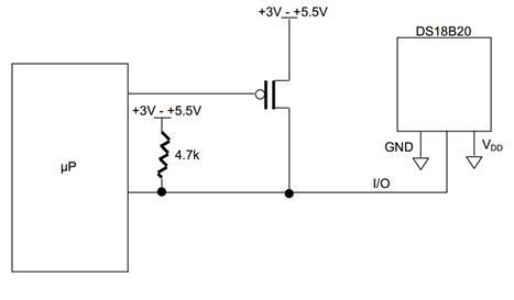
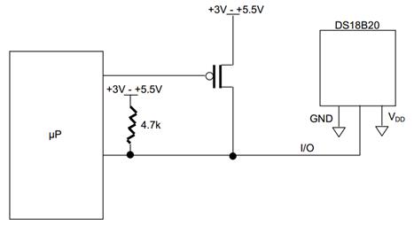
c. Sơ đồ kết nối cảm biến nhiệt ds18b20
- Sơ đồ khi sử dụng một cảm biến.

- Sơ đồ khi mắc nhiều cảm biến. (Chúng ta cũng chỉ cần 1 dây để lấy mẫu nhiệt độ)

d. Đọc nhiệt độ

Dưới đây là một ví dụ đo nhiệt độ bằng DS18B20 hiển thị LCD sử dụng 8051:
Mô phỏng + Code: http://www.mediafire.com/file/w8ahi8dj2m38seu/CTR_DS18B20_-_ChotroiHN.vn.rar
Chế độ bảo hành
Chế độ bảo hành sản phẩm của Linh Kiện Điện Tử 3M
Bảo đảm chất lượng
Sản phẩm được Test, dán Tem trước khi được đóng gói Kĩ Càng gửi cho Quý Khách
Cước vận chuyển
Cước vận chuyển được tự động đồng bộ đơn vị vận chuyển, Sản phẩm phát ngay trong ngày. Hỗ trợ đơn hàng: 0865.853.416
Hỗ trợ kỹ thuật
Tư vấn kĩ thuật: 0865.853.416 Khi khách hàng gặp khó khăn trong quá trình sử dụng