MODULE WIFI ESP8266-12F có nhân xử lý bên trong là IC Wifi SoC ESP8266, thường được sử dụng trong các ứng dụng IoT, kết nối Wifi hiện nay, mạch được gia công, thiết kế,đo kiểm kỹ càng cho chất lượng mạch độ ổn định cao.
MODULE WIFI ESP8266-12F có kích thước nhỏ gọn, ra chân đầy đủ của IC ESP8266, mạch được thiết kế và gia công chất lượng tốt với vỏ bọc kim loại chống nhiễu và anten Wifi PCB tích hợp cho khoảng các truyền xa và ổn định.
Lưu ý để nạp chương trình và sử dụng được mạch cần mua thêm module chuyển USB-UART và mạch cấp nguồn ngoài 3.3VDC.

MODULE WIFI ESP8266-12F

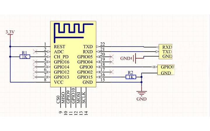
Sơ Đồ MODULE WIFI ESP8266-12F

Mặt Dưới MODULE WIFI ESP8266-12F
Chế độ bảo hành
Chế độ bảo hành sản phẩm của Linh Kiện Điện Tử 3M
Bảo đảm chất lượng
Sản phẩm được Test, dán Tem trước khi được đóng gói Kĩ Càng gửi cho Quý Khách
Cước vận chuyển
Cước vận chuyển được tự động đồng bộ đơn vị vận chuyển, Sản phẩm phát ngay trong ngày. Hỗ trợ đơn hàng: 0865.853.416
Hỗ trợ kỹ thuật
Tư vấn kĩ thuật: 0865.853.416 Khi khách hàng gặp khó khăn trong quá trình sử dụng