Diac ( Diode for alternating current - Diode cho dòng điện xoay chiều ) có thể coi là một Diode bán dẫn có quá trình chuyển sang dẫn dòng ngay khi điện áp rơi đạt mức đánh thủng VBO.

Diac DB3 DO-35

Cấu tạo Diac

Đặc tuyến Volt-ampe

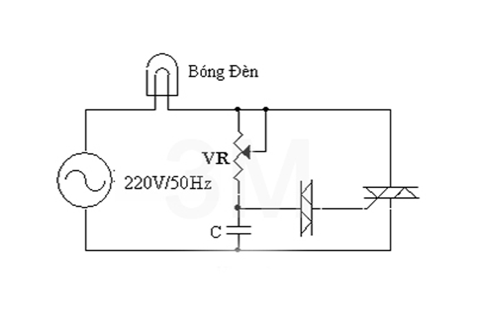
Mạch chỉnh độ sáng bóng đèn
Ở bán ký dương thì điện thế tăng, tụ nạp điện cho đến điện thế VBO thì Diac dẫn, tạo dòng kích cho Triac dẫn điện. Hết bán kỳ dương, Triac tạm ngưng. Đến bán kỳ âm tụ C nạp điện theo chiều ngược lại đến điện thế -VBO, Diac lại dẫn điện kích Triac dẫn điện. Ta thay đổi VR để thay đổi thời hằng nạp điện của tụ C, do đó thay đổi góc dẫn của Triac đưa đến làm thay đổi độ sáng của bóng đèn
Hướng dẫn sử dụng và lưu ý
Chế độ bảo hành
Chế độ bảo hành sản phẩm của Linh Kiện Điện Tử 3M
Bảo đảm chất lượng
Sản phẩm được Test, dán Tem trước khi được đóng gói Kĩ Càng gửi cho Quý Khách
Cước vận chuyển
Cước vận chuyển được tự động đồng bộ đơn vị vận chuyển, Sản phẩm phát ngay trong ngày. Hỗ trợ đơn hàng: 0865.853.416
Hỗ trợ kỹ thuật
Tư vấn kĩ thuật: 0865.853.416 Khi khách hàng gặp khó khăn trong quá trình sử dụng