Mạch Điều Khiển Động Cơ Bước ULN2003 + Động Cơ Bước 5V với ưu điểm nhỏ gọn, có sẵn mạch đệm cho động cơ, thích hợp dùng cho những ai mới làm quen với động cơ bước, từ đây sẽ hiễu rõ hơn về cấu tạo cũng như phương thức điều khiển của động cơ. Mạch sử dụng IC ULN2003A để khuyếch đại các tín hiệu điều khiển từ mạch điều khiển và điện áp sử dụng cấp cho động cơ có thể lên đến 15V.

Mạch Điều Khiển Động Cơ Bước ULN2003 + Động Cơ Bước 5V

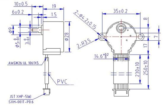
Bảng Kích Thước Chi Tiết Mạch Điều Khiển Động Cơ Bước ULN2003 + Động Cơ Bước 5V

Động Cơ Bước 28BYJ-48

Mạch Điều Khiển Động Cơ Bước ULN2003

Mặt Bên Mạch Điều Khiển Động Cơ Bước ULN2003
Chế độ bảo hành
Chế độ bảo hành sản phẩm của Linh Kiện Điện Tử 3M
Bảo đảm chất lượng
Sản phẩm được Test, dán Tem trước khi được đóng gói Kĩ Càng gửi cho Quý Khách
Cước vận chuyển
Cước vận chuyển được tự động đồng bộ đơn vị vận chuyển, Sản phẩm phát ngay trong ngày. Hỗ trợ đơn hàng: 0865.853.416
Hỗ trợ kỹ thuật
Tư vấn kĩ thuật: 0865.853.416 Khi khách hàng gặp khó khăn trong quá trình sử dụng